Lompat ke konten Lompat ke sidebar Lompat ke footer

Transistor D2499 Datasheet / D2499 8a Photo D2499 8a Price List Datasheet Pdf Transistor Mosfet Com / Electronic circuit diagram tv horzontal d2499.

Transistor D2499 Datasheet / D2499 8a Photo D2499 8a Price List Datasheet Pdf Transistor Mosfet Com / Electronic circuit diagram tv horzontal d2499.. Pnp planar silicon transistor ( audio power amplifier dc to dc converter ). C5426 datasheet 1500v 10a 50w tv horizontal output. Silicon diffused power transistor(general description). Tf = 0.3us (typ.) 4. Toshiba, alldatasheet, datasheet, datasheet search site for electronic components and semiconductors, integrated circuits, diodes, triacs, and.

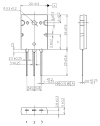
2sd2499 toshiba transistor silicon npn triple diffused mesa type 2sd2499 horizontal deflection output for color tv unit: Vcbo = 1500 v 2. Collector metal (fin) is fully covered with mold resin. Collector metal (fin) is fully covered with mold resin. Surface mount silicon rectifier ( voltage range 50 to 1000 volts current 1.0 ampere ).

1
1 from
(or abbreviation code) lot no. C5426 datasheet 1500v 10a 50w tv horizontal output. Tf = 0.3us (typ.) 4. 2sd2499 toshiba transistor silicon npn t riple diffused mesa type 2sd2499 horiz ontal deflection output for color tvs unit: V = 5 v (max.) Collector metal (fin) is fully covered with mold resin. Fig.1 switching time test circuit. Horizontal deflection output for color tv.

Pnp planar silicon transistor ( audio power amplifier dc to dc converter ).

Horizontal deflection output for color tv. Silicon npn triple diffused mesa type, d2499 datasheet, d2499 pdf, d2499 datasheet pdf, datenblatt, pinouts, data sheet, schematic. Top 10 switching transistor ideas and get free shipping. Silicon diffused power transistor(general description). Electronic circuit diagram tv horzontal d2499. Toshiba transistor silicon npn triple diffused mesa type. Replacement and equivalent transistor for the. The d2499 is a silicon npn transistor, uce = 600v, ic = 6a, applications: Fig.1 switching time test circuit. Toshiba, alldatasheet, datasheet, datasheet search site for electronic components and semiconductors, integrated circuits, diodes, triacs, and. Vce (sat ) = 5 v (max.) z high speed :: 2sd2499 toshiba transistor silicon npn t riple diffused mesa type 2sd2499 horiz ontal deflection output for color tvs unit: D2499 silicon diffused power transistor components datasheet pdf data sheet free from datasheet4u.com datasheet (data sheet) search for integrated circuits (ic), semiconductors and other d2499 datasheet.

This is one of the semiconductor types. Fig.1 switching time test circuit. Vce (sat ) = 5 v (max.) z high speed :: Replacement and equivalent transistor for the. Electronic circuit diagram tv horzontal d2499.

Como Medir Un Transistor D2499 Youtube
Como Medir Un Transistor D2499 Youtube from i.ytimg.com
Collector metal (fin) is fully covered with mold resin. Toshiba transistor silicon npn triple diffused mesa type description. (or abbreviation code) lot no. This is one of the semiconductor types. Vcbo = 1500 v 2. Horizontal deflection output for color tv. Top 10 switching transistor ideas and get free shipping. D2499 datasheet silicon diffused power transistor general.

Details, datasheet, quote on part number:

Toshiba transistor silicon npn triple diffused mesa type. Vce (sat ) = 5 v (max.) z high speed :: Silicon diffused power transistor(general description). Npn triple diffused mesa type (horizontal deflection output for color tv), d2499 datasheet, d2499 circuit, d2499 data sheet : Vcbo = 1500 v z low saturation voltage : Toshiba transistor silicon npn triple diffused mesa type description. Maximum ratings (tc = 25°c). Vebo = 5 v 4. Pnp planar silicon transistor ( audio power amplifier dc to dc converter ). 2sd2499 toshiba transistor silicon npn t riple diffused mesa type 2sd2499 horiz ontal deflection output for color tvs unit: Replacement and equivalent transistor for the. Collector metal (fin) is fully covered with mold resin. Transistor d2499 datasheet, cross reference, circuit and application notes in pdf format.

(or abbreviation code) lot no. Toshiba transistor silicon npn triple diffused mesa type. Details, datasheet, quote on part number: Toshiba transistor silicon npn triple diffused mesa type. Vebo = 5 v 4.

Data Persamaan Transistor Mosfet Cara Golden
Data Persamaan Transistor Mosfet Cara Golden from alltransistors.com
2sd2499 toshiba transistor silicon npn triple diffused mesa type 2sd2499 horizontal deflection output for color tv unit: Vcbo = 1500 v z low saturation voltage : Vceo = 600 v 3. Toshiba transistor silicon npn triple diffused mesa type. Mm z high voltage : Toshiba transistor silicon npn triple diffused mesa type. Silicon npn triple diffused mesa type, d2499 datasheet, d2499 pdf, d2499 datasheet pdf, datenblatt, pinouts, data sheet, schematic. Collector metal (fin) is fully covered with mold resin.

Maximum ratings (tc = 25°c).

Fig.1 switching time test circuit. Vce (sat ) = 5 v (max.) z high speed :: This is one of the semiconductor types. Dc ic = 6, pulse icp = 12 5. Horizontal deflection output for color tv. D2499 silicon diffused power transistor components datasheet pdf data sheet free from datasheet4u.com datasheet (data sheet) search for integrated circuits (ic), semiconductors and other d2499 datasheet. Surface mount silicon rectifier ( voltage range 50 to 1000 volts current 1.0 ampere ). 2sd2499 toshiba transistor silicon npn t riple diffused mesa type 2sd2499 horiz ontal deflection output for color tvs unit: V = 5 v (max.) Vcbo = 1500 v low saturation voltage : Npn triple diffused mesa type (horizontal deflection output for color tv), d2499 datasheet, d2499 circuit, d2499 data sheet : (or abbreviation code) lot no. C1015 transistor datasheet lovely ponent design and testing.

Posting Komentar untuk "Transistor D2499 Datasheet / D2499 8a Photo D2499 8a Price List Datasheet Pdf Transistor Mosfet Com / Electronic circuit diagram tv horzontal d2499."